Vistas:178 Autor:Editor del sitio Hora de publicación: 2024-05-16 Origen:Sitio
Material
1.4112 (S46990, S44003, SUS440B, X90CRMOV18)
Composición química
C: 0.85 ~ 0.95%; SI: ≤1.0%; Mn: ≤1.0%; P: ≤0.04%; S: ≤0.015%; CR: 17 ~ 19%; MO: 0.9 ~ 1.3%; V: 0.07 ~ 0.12 %; Fe: saldo
Propiedades del material
Densidad: 7.7g/cm³; resistencia a la tracción: 590MPA; Fuerza de rendimiento: 245MPA; alargamiento: 15%; Dureza HBW: 269; Dureza de enfriamiento y templado: 55HRC.

Comportamiento mecánico
1.4112 es un acero inoxidable martensítico de alto carbono. Sus propiedades mecánicas incluyen principalmente resistencia, dureza, tenacidad, etc. Debido a su alto contenido de carbono y cromo, este tipo de acero tiene alta resistencia y dureza y puede soportar una mayor presión y desgaste. Al mismo tiempo, debido a su buena dureza, este tipo de acero no es fácil de abarcar y puede usarse en entornos más complejos. Resistente a la corrosión de una atmósfera suave, vapor de agua dulce, amoníaco, muchos productos de petróleo y materiales orgánicos, y una variedad de ambientes débilmente ácidos. La temperatura de recocido es muy baja, y la dureza después del enfriamiento es alta. La dureza generalmente llega a HRC56-58. Tiene buena resistencia a la corrosión (magnética) y una fuerte dureza.
Áreas de aplicación
Debido a que el acero inoxidable 1.4112 tiene una excelente resistencia a la corrosión y propiedades mecánicas, se usa ampliamente en petróleo, industria química, ingeniería marina, automóviles, alimentos y otros campos. En las industrias de petróleo y químicos, debido a su excelente resistencia a la corrosión, se utiliza para fabricar reactores, tuberías y otros equipos. En el campo de la ingeniería marina, se utiliza para fabricar partes clave de barcos y plataformas en alta mar. En el campo automotriz, se utiliza para fabricar componentes como sistemas de escape y sujetadores. En el campo de alimentos, se utiliza para fabricar equipos de cocina y equipos de procesamiento de alimentos debido a sus buenas propiedades higiénicas.
Rendimiento del proceso
Las propiedades del proceso del acero inoxidable 1.4112 incluyen principalmente soldadura, tratamiento térmico y propiedades de procesamiento. Este tipo de acero tiene un buen rendimiento de soldadura y se puede soldar utilizando varios métodos de soldadura. El tratamiento térmico puede mejorar sus propiedades mecánicas y su resistencia a la corrosión, pero se debe tener cuidado para evitar el agrietamiento o la deformación causada por el sobrecalentamiento o el sobreenfriamiento. Tiene un buen rendimiento de procesamiento y se puede utilizar para girar, fresar, perforar, tocar y otras operaciones de procesamiento. Sus desventajas son que es pegajosa y se calienta rápidamente, pero es más fácil de lijar que cualquier acero al carbono y es mucho más fácil de cortar con una sierra para manos.
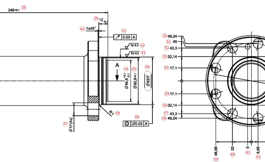
Requisitos de procesamiento de piezas

La mayor precisión del procesamiento es de 0.03 mm, la suavidad más alta es RZ1um y la concentricidad de todas las superficies circulares exteriores está dentro de 0.03 mm.
Tratamiento
Casting: usando la cera de temperatura media perdida de la cera de precisión.

Mecanizado: el torno contiene un extremo de la abrazadera de garra, coopera con el marco central, procesa el círculo exterior como referencia de precisión, luego procesa el orificio interno, realiza giro áspero y giro fino para procesar las superficies internas y exteriores, y terminar de girar los círculos externos y las caras del extremo de ambos extremos.
Proceso de mecanizado detallado
1. Sostenga el orificio interior en dos del lado. Mecanizado en rugas dos laterales (tamaño10,15,16,20,27,28,30,35,36,37,38) y toda la superficie de salida;

2. Clamp lado izquierdo y sostenga la superficie de OD. Mecanizado el lado derecho y los agujeros internos. Tamaño de mecanizado en bruto No.27 --- 45. Tamaño de mecanizado de acabado No.72;

3. CLAMA DEL LADO DERECHO, Y MANTENGA LA SUPERIENCIA DE OD, MECHINGO ROGUNDO EL LADO IZQUIERDO, TAMAÑO DE MECHINGO ROGRO No.9,10,11,12,13,14,15,16,20,21 y 57-64;

4. Llegue el orificio interior desde el lado derecho, es la base A. Mantenga la pieza desde el orificio lateral izquierdo. Haga el mecanizado final en ambos lados. Tamaño de mecanizado No.9, 10-16,20,21. Y 23-45;

5.cnc mecanizar los agujeros, hilo en ambos lados;
6. Tamaño del alcance no. 2,4,6,8. 46-56.
Molilla y pulido: reserva 0.05 mm para un subsidio de procesamiento de molinillo, molienda interna + perfeccionamiento.
Tratamiento térmico: recocido, enfriamiento lento a 800 ~ 920 ℃; enfriamiento, enfriamiento de aceite a 1000 ~ 1050 ℃; templado, 200 ~ 300 ℃; 96H Ractorización y temperamento de tratamiento térmico.
Informe material

Prueba de CMM

Prueba de presión
